| Sign In | Join Free | My benadorassociates.com |
|
Brand Name : Dawnergy
Model Number : DA-M8-JX-48
Place of Origin : CHINA
Payment Terms : L/C, D/A, D/P, T/T
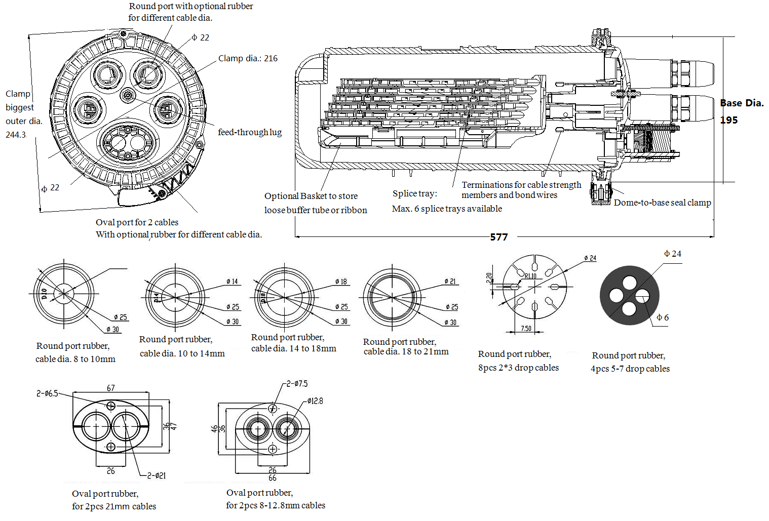
Size : 577*244.3mm
Entry ports number : 1 oval port, 4 round ports
tray number : 2 trays
Tray capacity : 24F
closure splice capacity : 48F
Applications : Aerial, directly buried, Wall/ pole mounting
DA-M8-JX-48 Dome Type Fiber Optic Splice Closure is used to connect the distribution cable and the incoming cable, is widely applied in communication, network systems, CATV cable TV and so on. It adopts scientifically formulated engineering plastic and be shaped by injection molding, with anti-aging, anti-corrosion, flame retardant, waterproof, anti-vibration and anti-shock effects. Can effectively prevent theoptic fibers from the influence of outdoor environment.
Dome-to-base design; up to 6 pieces splice trays, hinge for access of any splice without disturbing others trays; Fast and
reliable sealing performance, easy to package multiple times. With lightning protection grounding device, it can be applied in
overhead, pole/wall mounting or directly buried
| Model: | DA-M8-JX-48 | ||
| With clamp biggest outer dia. | 577*244.3mm | Raw material | Dome,base: modified PP, Clamp:Nylon +GF Tray: ABS Metal parts:Stainless steel |
| Entry ports number: | 1 oval port, 4 round ports | Available cable dia. | Oval port:available for 2 pcs cable, with optional rubber for different cabe dia. Round ports:with optional seal rubber for different cable dia. |
| tray number | 2 trays | Base sealing method | Mechanical |
| Tray capacity: | 24F | Applications: | Aerial, directly buried, Wall/ pole mounting |
| closure splice capacity | 48F | ||
![]()
Structure:

|
|
DA-M8-JX-48 Dome Type Fiber Optic Splice Closure Images |